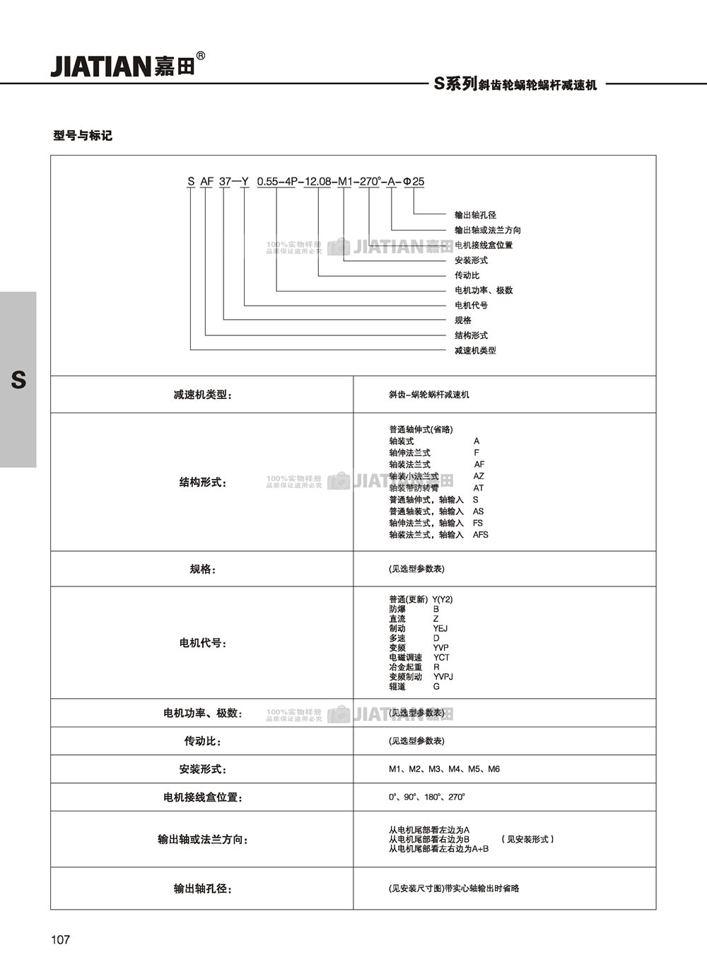
S系列斜齿轮蜗轮蜗杆减速机

产品详情
选型参数表
安装尺寸图
样本下载

内页-S.jpg

s012.jpgs021.jpgs022.jpgz050.jpgs031.jpgz060.jpg

s032.jpgs042.jpgs052.jpgs051.jpgs041.jpgs061.jpgs062.jpgs071.jpgs072.jpgs081.jpgs082.jpgs091.jpgs092.jpgs102.jpgs101.jpgs111.jpgs112.jpgs121.jpgs122.jpgs131.jpg

s132.jpgs141.jpgs151.jpgs142.jpgs152.jpgs161.jpgs162.jpgs171.jpgs172.jpgs181.jpgs182.jpgs191.jpgs192.jpgs201.jpgs202.jpgs211.jpgs212.jpgs221.jpgs222.jpgs231.jpgs232.jpgs241.jpgs242.jpgs251.jpgs252.jpgs261.jpgs262.jpgz010.jpgz020.jpgz030.jpgz040.jpg

Address/地址:上海市松江区新桥开发区                            Tel/联系电话: 021-64525832  021-61525833                                      Mail/邮箱: shjiatian@foxmial.com